Un grand bain nordique peut contenir jusqu’à 4 000 litres d’eau : prévoir le drainage et les branchements électriques en amont vous fera gagner du temps le jour J.
Drainage : les options à connaître
1) Drain standard
Convient aux bains nordiques en bois, polypropylène et fibre de verre. Généralement inclus en standard.
Diamètre : 43 mm.
Le plus souvent relié à un boyau ou à un tuyau PVC sous le bain.

2) Robinet externe
Connecteur métallique avec vanne (1 pouce / 25 mm). Fréquemment relié à un tuyau d’arrosage. Option de configuration sur la plupart des bains et incluse d’office sur les modèles avec chauffage intégré.

3) Robinet externe avec adaptateur rapide
Pour raccord de tuyaux d’arrosage avec raccord rapide 12 mm ou 15 mm.

Connexions électriques : valeurs et prises
1) Pompe de massage à air (bain nordique)
|
VCA |
230V |
| Alimentation | 700W |
| Raccordement du câble d’alimentation |
Type F (2 broches mises à la terre 16 A 220 – 240 V) |
2) Pompe d’hydromassage (bain nordique)
|
Alimentation |
0,9 kW |
| VCA | 230V |
| Raccordement du câble d’alimentation |
Type F (2 broches mises à la terre 16 A 220 – 240 V) |
3) Lampes LED (bain nordique)
|
Alimentation |
10 W |
| VCA | 240V |
| Raccordement du câble d’alimentation |
Type C (2 broches mises à la terre 16 A 220 – 240 V) |
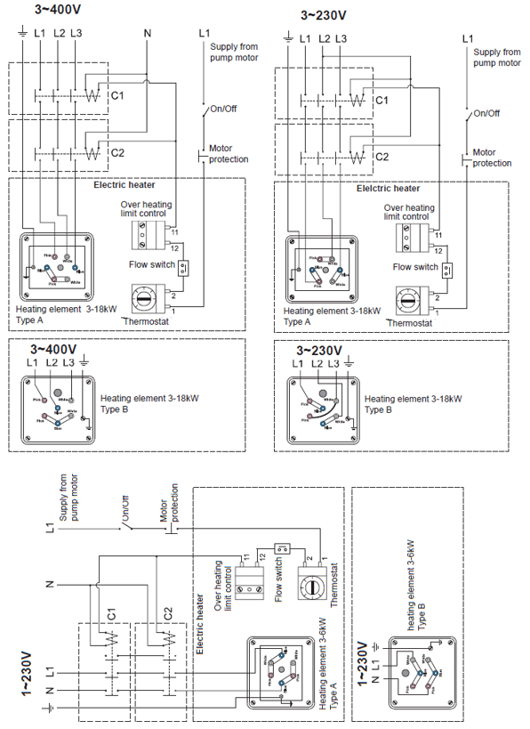
4) Chauffage électrique (bain nordique)
|
Alimentation |
3–18 kW |
| VCA | 230V 1-phase (3–6kW) 230V 3-phase (3–18kW) 400V 3-phase (3–18kW) |
| Raccordement du câble d’alimentation |
Dépend de la tension et des phases. Si vous n’avez pas d’expérience, consultez un électricien (schémas fournis). |
5) Pompe de circulation (avec chauffage électrique)
|
VCA |
230V |
| Alimentation | 550W |
| Raccordement du câble d’alimentation |
Type F (2 broches mises à la terre 16 A 220 – 240 V) |
6) Filtration à sable (bain nordique)
| VCA | 230V |
| Alimentation | 200W |
| Raccordement du câble d’alimentation |
Type F (2 broches mises à la terre 16 A 220 – 240 V) |

Boîte à fusibles & prises : ce qu’il faut savoir
Si vous achetez un bain nordique avec chauffage électrique, la boîte à fusibles fournie alimente le chauffage et propose des prises supplémentaires pour les autres équipements. Il suffit de raccorder la boîte au système électrique du foyer : aucune prise additionnelle n’est nécessaire.
Sans chauffage électrique, chaque accessoire (pompe air/eau, LED, filtration) se branche sur une prise ordinaire. Une rallonge multiprise peut être utilisée selon la configuration.

HowTo : préparer le drainage et l’électricité de votre bain nordique
- Estimer le volume d’eau (jusqu’à 4 000 l) pour anticiper le mode d’évacuation.
- Choisir le type de vidange : drain 43 mm, robinet 1″ (25 mm) ou robinet avec raccord rapide 12/15 mm.
- Planifier les liaisons : boyau/tuyau PVC sous la cuve ou tuyau d’arrosage côté robinet externe.
- Cartographier les prises pour la pompe air, l’hydromassage, les LED, la filtration et, si présent, le chauffage électrique.
- Raccorder la boîte à fusibles (si chauffage électrique) au réseau domestique pour alimenter tous les accessoires.
- Vérifier la tension/phases du chauffage (3–18 kW) et faire valider par un électricien si besoin.
FAQ — connexions & préparation
Quel système de vidange choisir ?
Le drain standard 43 mm convient aux cuves bois/PP/fibre de verre. Le robinet 1″ (25 mm) facilite l’usage d’un tuyau d’arrosage. Avec un adaptateur rapide 12/15 mm, le raccord est immédiat.
Le robinet externe est-il inclus ?
Il est souvent proposé en option et inclus automatiquement sur les bains avec chauffage intégré.
Quels branchements pour la pompe à air et l’hydromassage ?
Pompe air : 230V, 700W, prise Type F (220–240V). Hydromassage : 0,9 kW, 230V, prise Type F.
Et pour les LED ?
LED : 10W, 240V, prise Type C (220–240V).
Comment alimenter un chauffage électrique ?
Puissance 3–18 kW, selon tension/phases (230V 1 phase/3 phases ou 400V 3 phases). Faites valider par un électricien.
La boîte à fusibles alimente-t-elle tout le spa ?
Oui, avec chauffage électrique, la boîte alimente le chauffage et offre des prises pour les autres appareils.
Sans chauffage électrique, comment brancher les accessoires ?
Chaque appareil se branche sur une prise ordinaire. Une rallonge multiprise peut être utilisée selon la configuration.
Pour d’autres détails pratiques (cheminement des tuyaux, décharge, implantation), voir notre guide connexions & branchements et des idées d’implantation bain nordique sur terrasse.



